


仿流明1-3W大功率LED
品 牌:通途
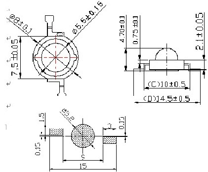
型 号:1-3W大功率/白光/暧白
电 流:350-700
材 质:金线+科锐芯片+铜支架
发光角度:120°
包 装:4000PCS/卷
焊接温度:260℃
产品说明
产品型号 |
功率 |
色温/波长 |
正向电流 |
正向电压 |
光通量/光强(mcd) |
显色指数 |
角度 |
|
Part No. |
Power(W) |
CCT(K)/NM |
MA |
VF |
Lum inous Flux(LM) |
CRI |
(°) |
|
Min |
typ |
|||||||
1-3W大功率/白光/暧白 |
1-3W |
2700-3500K |
350-700 |
3.0-3.6 |
110-140LM |
>70 |
120/140度 |
|
3500-5000K |
350-700 |
3.0-3.6 |
120-150LM |
>70 |
120/140度 |
|||
5000-7000K |
350-700 |
3.0-3.6 |
120-150LM |
>70 |
120/140度 |
|||
-- |
350-700 |
3.0-3.6 |
-- |
>70 |
120/140度 |
|||
1-3W大功率红/绿/蓝/黄 |
1-3W |
620-630K |
350-700 |
3.0-3.6/红黄1.8-2.4 |
40-60 |
>70 |
120/140度 |
|
520-530K |
350-700 |
3.0-3.6/红黄1.8-2.4 |
70-90 |
>70 |
120/140度 |
|||
455-456K |
350-700 |
3.0-3.6/红黄1.8-2.4 |
20-30 |
>70 |
120/140度 |
|||
585-595K |
350-700 |
3.0-3.6/红黄1.8-2.4 |
40-60 |
>70 |
120/140度 |
|||


