


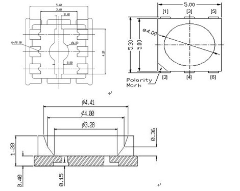
5051贴片式大功率LED
品 牌:通途
型 号:5051白光/暧白
电 流:150
材 质:金线+科锐芯片+铜支架
发光角度:120°
包 装:4000PCS/卷
焊接温度:260℃
产品说明
产品型号 |
功率 |
色温/波长 |
正向电流 |
正向电压 |
光通量/光强(mcd) |
显色指数 |
角度 |
|
Part No. |
Power(W) |
CCT(K)/NM |
MA |
VF |
Lum inous Flux(LM) |
CRI |
(°) |
|
Min |
typ |
|||||||
5051白光/暧白 |
0.5W |
2700-3500 |
150 |
3.0-3.6 |
45-55 |
>70 |
-- |
|
3500-5000 |
150 |
3.0-3.6 |
50-60 |
>70 |
-- |
|||
5000-7000 |
150 |
3.0-3.6 |
50-60 |
>70 |
-- |
|||
-- |
150 |
3.0-3.6 |
-- |
>70 |
-- |
|||
5051白光/暧白 |
1W |
2700-3500 |
350 |
3.0-3.6 |
95-115 |
>70 |
-- |
|
3500-5000 |
350 |
3.0-3.6 |
100-120 |
>70 |
-- |
|||
5000-7000 |
350 |
3.0-3.6 |
100-120 |
>70 |
-- |
|||
-- |
350 |
3.0-3.6 |
-- |
>70 |
-- |
|||


